图纸介绍:本方案为客厅中空三层复式别墅房屋设计图,宽阔的落地大玻璃,屋顶带大露台,还有个小凉亭,含外观效果图,外观时尚、新颖。
占地面积:11.00m*13.2m,145平方米左右;
建筑层高:三层;
建筑高度:12.06米(含屋顶);
设计功能:
一 层:客厅、厨房、餐厅、卧室、卫生间、储藏间;
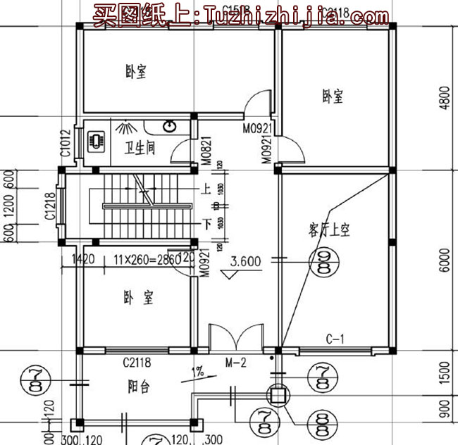
二 层:休闲厅、卧室x3、卫生间、阳台;
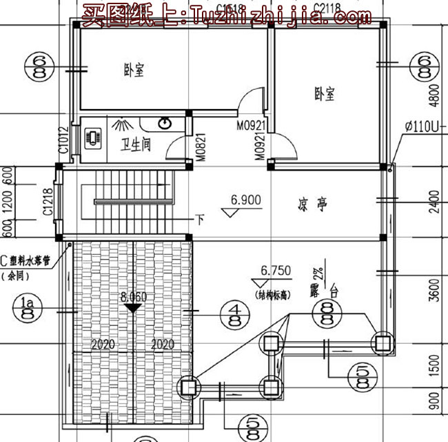
三 层:卧室x2、卫生间、凉亭、露台;
图纸目录:
建 筑 图:建筑设计说明、一层平面图、二层平面图、三层平面图、屋顶平面图、正立面图、背立面图、左立面图、右立面图、1-1剖面图、楼梯大样图、节点大样图等;
结 构 图:结构设计总说明、基础平面布置图、基础大样图、一层梁结构平面图、二层梁结构平面图、三层梁结构平面图、屋顶梁结构平面图、二层板结构平面图、三层板结构平面图、屋面板结构平面图、楼梯大样图、节点大样图等;
给排水图:给排水设计说明、一层给排水平面图、二层给排水平面图、三层给排水平面图、屋顶给排水平面图、卫生间大样图、给排水系统图等;
电 气 图:电气设计说明、弱电系统图、配电干线系统图、一层照明平面图、二层照明平面图、三层照明平面图、一层插座平面图、二层插座平面图、三层插座平面图等;
本套图纸含全套A3设计图+高清效果图,拿到即可施工。



































































































